注意:访问本站需要Cookie和JavaScript支持!请设置您的浏览器! 打开购物车 查看留言付款方式联系我们
初中电子 单片机教材一 单片机教材二
搜索上次看见的商品或文章:
商品名、介绍 文章名、内容
首页 电子入门 学单片机 免费资源 下载中心 商品列表 象棋在线 在线绘图 加盟五一 加入收藏 设为首页
本站推荐:
35. DS18B20数字温度计使用
文章长度[] 加入时间[2008/5/30] 更新时间[2026/4/15 12:39:23] 级别[0] [评论] [收藏]
 
1.DS18B20基本知识
 DS18B20数字温度计是DALLAS公司生产的1-Wire,即单总线器件,具有线路简单,体积小的特点。因此用它来组成一个测温系统,具有线路简单,在一根通信线,可以挂很多这样的数字温度计,十分方便。
1、DS18B20产品的特点
  (1)、只要求一个端口即可实现通信。
  (2)、在DS18B20中的每个器件上都有独一无二的序列号。
  (3)、实际应用中不需要外部任何元器件即可实现测温。
  (4)、测量温度范围在-55C到+125C之间。
  (5)、数字温度计的分辨率用户可以从9位到12位选择。
  (6)、内部有温度上、下限告警设置。
2、DS18B20的引脚介绍
  TO-92封装的DS18B20的引脚排列见图1,其引脚功能描述见表1。
(底视图)
图1
 
表1 DS18B20详细引脚功能描述

序号
名称
引脚功能描述
1
GND
地信号
2
DQ
数据输入/输出引脚。开漏单总线接口引脚。当被用着在寄生电源下,也可以向器件提供电源。
3
VDD
可选择的VDD引脚。当工作于寄生电源时,此引脚必须接地。

3.             DS18B20的使用方法
由于DS18B20采用的是1-Wire总线协议方式,即在一根数据线实现数据的双向传输,而对AT89S51单片机来说,硬件上并不支持单总线协议,因此,我们必须采用软件的方法来模拟单总线的协议时序来完成对DS18B20芯片的访问。
由于DS18B20是在一根I/O线上读写数据,因此,对读写的数据位有着严格的时序要求。DS18B20有严格的通信协议来保证各位数据传输的正确性和完整性。该协议定义了几种信号的时序:初始化时序、读时序、写时序。所有时序都是将主机作为主设备,单总线器件作为从设备。而每一次命令和数据的传输都是从主机主动启动写时序开始,如果要求单总线器件回送数据,在进行写命令后,主机需启动读时序完成数据接收。数据和命令的传输都是低位在先。
DS18B20的复位时序
DS18B20的读时序
对于DS18B20的读时序分为读0时序和读1时序两个过程。
对于DS18B20的读时隙是从主机把单总线拉低之后,在15秒之内就得释放单总线,以让DS18B20把数据传输到单总线上。DS18B20在完成一个读时序过程,至少需要60us才能完成。
DS18B20的写时序
对于DS18B20的写时序仍然分为写0时序和写1时序两个过程。
对于DS18B20写0时序和写1时序的要求不同,当要写0时序时,单总线要被拉低至少60us,保证DS18B20能够在15us到45us之间能够正确地采样IO总线上的“0”电平,当要写1时序时,单总线被拉低之后,在15us之内就得释放单总线。
4.             实验任务
用一片DS18B20构成测温系统,测量的温度精度达到0.1度,测量的温度的范围在-20度到+100度之间,用8位数码管显示出来。
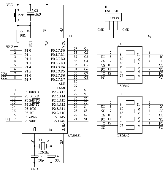
5.            电路原理图
6.            系统板上硬件连线
(1).    把“单片机系统”区域中的P0.0-P0.7用8芯排线连接到“动态数码显示”区域中的ABCDEFGH端子上。
(2).    把“单片机系统”区域中的P2.0-P2.7用8芯排线连接到“动态数码显示”区域中的S1S2S3S4S5S6S7S8端子上。
(3).    把DS18B20芯片插入“四路单总线”区域中的任一个插座中,注意电源与地信号不要接反。
(4).    把“四路单总线”区域中的对应的DQ端子连接到“单片机系统”区域中的P3.7/RD端子上。
7.            C语言源程序
#include <AT89X52.H>
#include <INTRINS.h>
unsigned char code displaybit[]={0xfe,0xfd,0xfb,0xf7,
                                 0xef,0xdf,0xbf,0x7f};
unsigned char code displaycode[]={0x3f,0x06,0x5b,0x4f,
                                    0x66,0x6d,0x7d,0x07,
                                    0x7f,0x6f,0x77,0x7c,
                                    0x39,0x5e,0x79,0x71,0x00,0x40};
unsigned char code dotcode[32]={0,3,6,9,12,16,19,22,
                                25,28,31,34,38,41,44,48,
                                50,53,56,59,63,66,69,72,
                                75,78,81,84,88,91,94,97};
unsigned char displaycount;
unsigned char displaybuf[8]={16,16,16,16,16,16,16,16};
unsigned char timecount;
unsigned char readdata[8];
sbit DQ=P3^7;
bit sflag;
bit resetpulse(void)
{
  unsigned char i;
  DQ=0;
  for(i=255;i>0;i--);
  DQ=1;
  for(i=60;i>0;i--);
  return(DQ);
  for(i=200;i>0;i--);
}
void writecommandtods18b20(unsigned char command)
{
  unsigned char i;
  unsigned char j;
  for(i=0;i<8;i++)
    {
      if((command & 0x01)==0)
        {
          DQ=0;
          for(j=35;j>0;j--);
          DQ=1;
        }
        else
          {
            DQ=0;
            for(j=2;j>0;j--);
            DQ=1;
            for(j=33;j>0;j--);
          }
      command=_cror_(command,1);     
    }
}
unsigned char readdatafromds18b20(void)
{
  unsigned char i;
  unsigned char j;
  unsigned char temp;
  temp=0;
  for(i=0;i<8;i++)
    {
      temp=_cror_(temp,1);
      DQ=0;
      _nop_();
      _nop_();
      DQ=1;
      for(j=10;j>0;j--);
      if(DQ==1)
        {
          temp=temp | 0x80;
        }
        else
          {
            temp=temp | 0x00;
          }
      for(j=200;j>0;j--);
    }
  return(temp);
}
void main(void)
{
  TMOD=0x01;
  TH0=(65536-4000)/256;
  TL0=(65536-4000)%256;
  ET0=1;
  EA=1;
  while(resetpulse());
  writecommandtods18b20(0xcc);
  writecommandtods18b20(0x44);
  TR0=1;
  while(1)
    {
      ;
    }
}
void t0(void) interrupt 1 using 0
{
  unsigned char x;
  unsigned int result;
  TH0=(65536-4000)/256;
  TL0=(65536-4000)%256;
  if(displaycount==2)
    {
      P0=displaycode[displaybuf[displaycount]] | 0x80;
    }
    else
      {
        P0=displaycode[displaybuf[displaycount]];
      }
  P2=displaybit[displaycount];
  displaycount++;
  if(displaycount==8)
    {
      displaycount=0;
    }
  timecount++;
  if(timecount==150)
    {
      timecount=0;
      while(resetpulse());
      writecommandtods18b20(0xcc);
      writecommandtods18b20(0xbe);
      readdata[0]=readdatafromds18b20();
      readdata[1]=readdatafromds18b20();
      for(x=0;x<8;x++)
        {
          displaybuf[x]=16;
        }
      sflag=0;
      if((readdata[1] & 0xf8)!=0x00)
        {
          sflag=1;
          readdata[1]=~readdata[1];
          readdata[0]=~readdata[0];
          result=readdata[0]+1;
          readdata[0]=result;
          if(result>255)
            {
              readdata[1]++;
            }
        }
      readdata[1]=readdata[1]<<4;
      readdata[1]=readdata[1] & 0x70;
      x=readdata[0];
      x=x>>4;
      x=x & 0x0f;
      readdata[1]=readdata[1] | x;
      x=2;
      result=readdata[1];
      while(result/10)
        {
          displaybuf[x]=result%10;
          result=result/10;
          x++;
        }
      displaybuf[x]=result;
      if(sflag==1)
        {
          displaybuf[x+1]=17;
        }
      x=readdata[0] & 0x0f;
      x=x<<1;
      displaybuf[0]=(dotcode[x])%10;
      displaybuf[1]=(dotcode[x])/10;
      while(resetpulse());
      writecommandtods18b20(0xcc);
      writecommandtods18b20(0x44);
    }
}
1、 本站不保证以上观点正确,就算是本站原创作品,本站也不保证内容正确。
2、如果您拥有本文版权,并且不想在本站转载,请书面通知本站立即删除并且向您公开道歉! 以上可能是本站收集或者转载的文章,本站可能没有文章中的元件或产品,如果您需要类似的商品请 点这里查看商品列表!
本站协议 | 版权信息 |  关于我们 |  本站地图 |  营业执照 |  发票说明 |  付款方式 |  联系方式
深圳市宝安区西乡五壹电子商行——粤ICP备16073394号-1;地址:深圳西乡河西四坊183号;邮编:518102
E-mail:51dz$163.com($改为@);Tel:(0755)27947428
工作时间:9:30-12:00和13:30-17:30和18:30-20:30,无人接听时可以再打手机13537585389