| 注意:访问本站需要Cookie和JavaScript支持!请设置您的浏览器! • 打开购物车 • 查看留言 • 付款方式 • 联系我们 |
![]() |
| 首页 | 电子入门 | 学单片机 | 免费资源 | 下载中心 | 商品列表 | 象棋在线 | 在线绘图 | 加盟五一 | 加入收藏 | 设为首页 |
| 选择分类:当前分类——学单片机 相关联或者相类似的文章: 推荐一款小巧玲珑的PDF阅读软件(533) 9. 一键多功能按键识别技术(533) 27. ADC0809A/D转换器基本应用技术(533) 超短波物品遗留提醒报警器(533) 致各职业学校、电子初学者、电子爱好者(533) 一个男人的自白:找情人已经是件很老土的事了(532) protel 使用的60个问题和解答(532) “残局”骗术要当心 (532) 再度出击,20元打造经典PC遥控器!(531) SQL转ACCESS解决自动编号问题(531) LED显示应用:生产电子看板系统(530) 穷人为什么穷(530) 如何选择入门的教材(529) 经济实用的发射功率测试笔 (529) 用CD4046作镍镉电池快速充电器(529) 1.红外遥控噐软件解码及其应用(529) 电子元器件使用须知(四)(528) [转帖]网恋是怎样炼成的(528) 如何理解电容的高频和低频特性(528) PT2262/2272编解码集成电路介绍(528) 首页 前页 后页 尾页 本站推荐: | 9. 一键多功能按键识别技术 1.实验任务
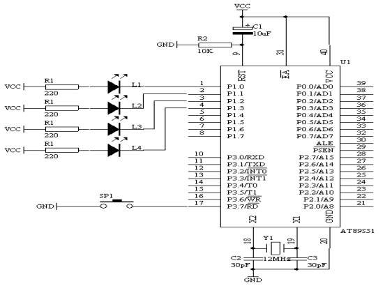
如图4.9.1所示,开关SP1接在P3.7/RD管脚上,在AT89S51单片机的P1端口接有四个发光二极管,上电的时候,L1接在P1.0管脚上的发光二极管在闪烁,当每一次按下开关SP1的时候,L2接在P1.1管脚上的发光二极管在闪烁,再按下开关SP1的时候,L3接在P1.2管脚上的发光二极管在闪烁,再按下开关SP1的时候,L4接在P1.3管脚上的发光二极管在闪烁,再按下开关SP1的时候,又轮到L1在闪烁了,如此轮流下去。
2.电路原理图
![]() 图4.9.1
3.系统板上硬件连线
(1. 把“单片机系统”区域中的P3.7/RD端口连接到“独立式键盘”区域中的SP1端口上;
(2. 把“单片机系统”区域中的P1.0-P1.4端口用8芯排线连接到“八路发光二极管指示模块”区域中的“L1-L8”端口上;要求,P1.0连接到L1,P1.1连接到L2,P1.2连接到L3,P1.3连接到L4上。
4.程序设计方法
(1. 设计思想由来
在我们生活中,我们很容易通过这个叫张三,那个叫李四,另外一个是王五;那是因为每个人有不同的名子,我们就很快认出,同样,对于要通过一个按键来识别每种不同的功能,我们给每个不同的功能模块用不同的ID号标识,这样,每按下一次按键,ID的值是不相同的,所以单片机就很容易识别不同功能的身份了。
(2. 设计方法
从上面的要求我们可以看出,L1到L4发光二极管在每个时刻的闪烁的时间是受开关SP1来控制,我们给L1到L4闪烁的时段定义出不同的ID号,当L1在闪烁时,ID=0;当L2在闪烁时,ID=1;当L3在闪烁时,ID=2;当L4在闪烁时,ID=3;很显然,只要每次按下开关K1时,分别给出不同的ID号我们就能够完成上面的任务了。下面给出有关程序设计的框图。
5.程序框图
![]() 图4.9.2
6.汇编源程序
ID EQU 30H
SP1 BIT P3.7
L1 BIT P1.0
L2 BIT P1.1
L3 BIT P1.2
L4 BIT P1.3
ORG 0
MOV ID,#00H
START: JB K1,REL
LCALL DELAY10MS
JB K1,REL
INC ID
MOV A,ID
CJNE A,#04,REL
MOV ID,#00H
REL: JNB K1,$
MOV A,ID
CJNE A,#00H,IS0
CPL L1
LCALL DELAY
SJMP START
IS0: CJNE A,#01H,IS1
CPL L2
LCALL DELAY
SJMP START
IS1: CJNE A,#02H,IS2
CPL L3
LCALL DELAY
SJMP START
IS2: CJNE A,#03H,IS3
CPL L4
LCALL DELAY
SJMP START
IS3: LJMP START
DELAY10MS: MOV R6,#20
LOOP1: MOV R7,#248
DJNZ R7,$
DJNZ R6,LOOP1
RET
DELAY: MOV R5,#20
LOOP2: LCALL DELAY10MS
DJNZ R5,LOOP2
RET
END
7.C语言源程序
#include <AT89X51.H>
unsigned char ID;
void delay10ms(void)
{
unsigned char i,j;
for(i=20;i>0;i--)
for(j=248;j>0;j--);
}
void delay02s(void)
{
unsigned char i;
for(i=20;i>0;i--)
{delay10ms();
}
}
void main(void)
{ while(1)
{ if(P3_7==0)
{delay10ms();
if(P3_7==0)
{
ID++;
if(ID==4)
{
ID=0;
}
while(P3_7==0);
}
}
switch(ID)
{ case 0:
P1_0=~P1_0;
delay02s();
break;
case 1:
P1_1=~P1_1;
delay02s();
break;
case 2:
P1_2=~P1_2;
delay02s();
break;
case 3:
P1_3=~P1_3;
delay02s();
break;
}
} 1、 本站不保证以上观点正确,就算是本站原创作品,本站也不保证内容正确。 2、如果您拥有本文版权,并且不想在本站转载,请书面通知本站立即删除并且向您公开道歉! |
|
本站协议 |
版权信息 |
关于我们 |
本站地图 |
营业执照 |
发票说明 |
付款方式 |
联系方式
深圳市宝安区西乡五壹电子商行——粤ICP备16073394号-1;地址:深圳西乡河西四坊183号;邮编:518102 E-mail:51dz$163.com($改为@);Tel:(0755)27947428 工作时间:9:30-12:00和13:30-17:30和18:30-20:30,无人接听时可以再打手机13537585389 |