注意:访问本站需要Cookie和JavaScript支持!请设置您的浏览器! 打开购物车 查看留言付款方式联系我们
初中电子 单片机教材一 单片机教材二
搜索上次看见的商品或文章:
商品名、介绍 文章名、内容
首页 电子入门 学单片机 免费资源 下载中心 商品列表 象棋在线 在线绘图 加盟五一 加入收藏 设为首页
本站推荐:
OCM12232系列点阵型液晶显示模块
文章长度[] 加入时间[2007/11/25] 更新时间[2026/3/24 3:08:15] 级别[0] [评论] [收藏]
 
使用说明书
 
一、液晶驱动IC基本特性
1、具有低功耗、供应电压范围宽等特点。
2、具有16common和61segment输出,并可外接驱动IC扩展驱动。
3、具有2560位显示RAM(DD RAM),即80×8×4位
4、具有与68系列或80系列相适配的MPU接口功能,并有专用的指令集,可完成文本显示或
   图形显示的功能设置
二、模块基本特性
视域尺寸:,60.5×18.0mm(12232-1/-2),54.8×18.3mm(12232-3)
显示类型:黄底黑字
LCD显示角度:6点钟直观
驱动方式:1/32 duty,1/6 bias
连接方式:导电胶条,铁框
● 补充说明:模块外观尺寸可根据用户的要求进行适度调整。
三、工作参数
1、逻辑工作电压(VDD-VSS):2.4~6.0V
2、LCD驱动电压(Vdd-Vlcd):3.0~13.5V
3、工作温度(Ta):0~55℃(常温) / -20~70℃(宽温)
4、保存温度(Tstg):-10~70℃
四、电气特性(测试条件 Ta=25,Vdd=5.0±0.25V)
 1、输入高电平(Vih):3.5Vmin
 2、输入低电平(Vil):0.55Vmax
 3、输出高电平(Voh):3.75Vmin
 4、输出低电平(Vol):1.0Vmax
 5、工作电流:2.0mAmax
五、接口说明
PCB板引脚号
12232/1
12232/2
12232/3
1
VDD
VSS
同12232-1引脚
2
GND
VDD
3
VLCD
V0
4
RET
A0
5
CS1
CS1
6
CS2
CS2
7
R/W
CL(外振时钟)
8
A0
/RD
9
D0
/WR
10
D1
D0
11
D2
D1
12
D3
D2
同12232-1引脚
13
D4
D3
14
D5
D4
15
D6
D5
16
D7
D6
17
背光
D7
18
背光

RES

19
 
背光
20
 
背光
 
管脚说明:
l         VDD:逻辑电源正
l         GND(VSS): 逻辑电源地
l         VLCD(VEE,V0):LCD驱动电源
l         RET:复位端,对于68系列MPU:上升沿(L-H)复位,且复位后电平须保持为高电平(H);
                对于80系列MPU:下降沿(H-L)复位,且复位后电平须保持为低电平(L)。
l         CS1:读写使能。对于68系列MPU,连接使能信号引脚,高电平有效;
                  对于80系列MPU,连接/RD引脚,低电平有效。
l         CS2:同E1引脚。
l         /RD:读允许,低电平有效。
l         /WR:写允许,低电平有效。
l         R/W:读写选择,对于68系列MPU,高电平时读数据,低电平时写数据;
                   对于80系列MPU,低电平时允许数据传输,上升沿时锁定数据。
l         A0:数据/指令选择。高电平:数据D0-D7将送入显示RAM;
                       低电平:数据D0-D7将送入指令执行器执行。
l         D0-D7:数据输入输出引脚。
六、指令描述
1、   显示模式设置
                      R/W
CODE:  A0   /RD  /WR    D7       D6       D5       D4       D3       D2       D1       D0
L
H
L
H
L
H
L
H
H
H
D
功能:开/关屏幕显示,不改变显示RAM(DD RAM)中的内容,也不影响内部状态。D=0,开显示;D=1,关显示。如果在显示关闭的状态下选择静态驱动模式,那么内部电路将处于安全模式。
 
2、   设置显示起始行
                     R/W
CODE:   A0   /RD  /WR    D7       D6       D5       D4       D3       D2       D1       D0
L
H
L
H
H
L
A4
A3
A2
A1
A0
功能:执行该命令后,所设置的行将显示在屏幕的第一行。起始地址可以是0-31范围内任意一行。行地址计数器具有循环计数功能,用于显示行扫描同步,当扫描完一行后自动加一。
 
3、   页地址设置
                     R/W
CODE:  A0   /RD /WR     D7       D6        D5        D4      D3       D2       D1       D0
L
H
L
H
L
H
H
H
L
A1
A0
功能:设置页地址。当MPU要对DD RAM进行读写操作时,首先要设置页地址和列地址。本指令不影响显示。
A1
A0
页地址
0
0
0
0
1
1
1
0
2
1
1
3
 
4、   列地址设置
                     R/W
CODE:  A0   /RD /WR     D7       D6        D5       D4       D3       D2       D1       D0
L
H
L
L
A6
A5
A4
A3
A2
A1
A0
功能:设置DD RAM中的列地址。当MPU要对DD RAM进行读写操作前,首先要设置页地址和列地址。执行读写命令后,列地址会自动加1,直到达到50H才会停止,但页地址不变。
A6
A5
A4
A3
A2
A1
A0
列地址
0
0
0
0
0
0
0
0
0
0
0
0
0
0
1
1
 
1
0
0
1
1
1
0
4E
1
0
0
1
1
1
1
4F
 
5、   读状态指令
                    R/W
CODE:  A0   /RD   /WR     D7        D6           D5            D4        D3     D2      D1    D0
L
L
H
BUSY
ADC
OM/OFF
RESET
L
L
L
L
功能:检测内部状态。
      BUSY为忙信号位,BUSY =1:内部正在执行操作;BUSY =0:空闲状态。
      ADC为显示方向位,ADC=0:反向显示;ADC=1:正向显示。
      ON/OFF显示开关状态,ON/OFF=0:显示打开,ON/OFF=1:显示关闭。
RESET复位状态,RESET=0:正常,RESET=1:内部正处于复位初始化状态。
 
6、   写显示数据
                    R/W
 CODE:  A0 /RD  /WR      D7        D6          D5          D4         D3      D2     D1     D0
H
H
L
Write  Data
 
功能:将8位数据写入DD RAM,该指令执行后,列地址自动加1,所以可以连续将数据写入DD RAM而不用重新设置列地址。
 
7、   读显示数据
                     R/W
CODE:  A0   /RD /WR     D7       D6       D5       D4       D3       D2       D1       D0
H
L
H
Read  Data
功能:读出页地址和列地址限定的DD RAM地址内的数据。当“读-修改-写模式”关闭时,每执行一次读指令,列地址自动加1,所以可以连续从DD RAM读出数据而不用设置列地址。
注意:再设置完列地址后,首次读显示数据前必须执行一次空的“读显示数据”。这是因为设置完列地址后,第一次读数据时,出现在数据总线上的数据是列地址而不是所要读出的数据。
 
8、   设置显示方向
                     R/W
CODE:  A0   /RD /WR      D7       D6       D5       D4       D3       D2       D1       D0
L
H
L
H
L
H
L
L
L
L
D
功能:该指令设置DD RAM中的列地址与段驱动输出的对应关系
显示当设置D=0时,反向;D=1时,正向。
 
9、   开/关静态驱动模式设置
                     R/W
CODE:  A0   /RD /WR     D7       D6       D5       D4       D3       D2       D1       D0
L
H
L
H
L
H
L
L
H
L
D
功能:D=0表示关闭静态显示,D=1表示打开静态显示。
      如果在打开静态显示时,执行关闭显示指令,内部电路将被置为安全模式。
 
10、DUTY选择
                     R/W
CODE:  A0   /RD /WR     D7       D6        D5       D4       D3       D2       D1       D0
L
H
L
H
L
H
L
H
L
L
D
功能:设置D=0   表示1/16DUTY,D=1表示1/32DUTY。
 
11、“读-修改-写”模式设置
                     R/W
CODE:  A0   /RD /WR     D7       D6       D5       D4       D3       D2       D1       D0
L
H
L
H
H
H
L
L
L
L
L
功能:执行该指令以后,每执行一次写数据指令列地址自动加1;但执行读数据指令时列地址不会改变。这个状态一直持续到执行“END”指令。
注意:在“读-修改-写”模式下,除列地址设置指令之外,其他指令照常执行。
 
12、END指令
                     R/W
CODE:  A0   /RD /WR     D7       D6       D5        D4       D3       D2       D1       D0
L
H
L
H
H
H
L
H
H
H
L
功能:关闭“读-修改-写”模式,并把列地址指针恢复到打开“读-修改-写”模式前的位置。
 
13、复位指令
                     R/W
CODE:  A0   /RD /WR     D7        D6       D5       D4       D3       D2       D1       D0
L
H
L
H
H
H
L
L
L
H
L
功能:使模块内部初始化。
      初始化内容:① 设置显示初始行为第一行;
                  ②页地址设置为第三页。
复位指令对显示RAM没有影响。
 
14、设置安全模式
通过关闭显示并打开静态显示的方法,可以设置安全模式,以减小功耗。
安全模式下的内部状态:
l         停止LCD驱动。Segment和Common输出VDD电平。
l         停止晶体震荡并禁止外部时钟输入,晶振输入OSC2引脚处于不确定状态。
l         显示数据和内部模式不变。
可通过打开显示或关闭静态显示的方法关闭安全模式。
 
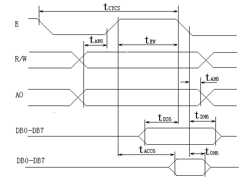
七、接口时序
⒈ 与68系列MPU接口读写操作时序图


 

                                         时序1
时序参数表(VDD=5.0±10%,VSS=0V,Ta=-20~+75℃)
 
名称
符号
最小值
最大值
单位
地址建立时间
Taw6
20
 
ns
地址保持时间
Tah6
10
 
ns
系统时钟周期
Tcycs
1000
 
ns
E脉冲宽度
Tew
100
 
ns
80
 
ns
数据建立时间
Tds6
80
 
ns
写数据保持时间
Tdh6
10
 
ns
存取时间
Tacc6
 
90
ns
读数据保持时间
Tch6
10
60
ns
 
⒉ 与80系列MPU接口读写操作时序图 
 


时序2

时序参数表(VDD=5.0±10%,VSS=0V,Ta=-20~+70℃)
名称
符号
最小值
最大值
单位
地址建立时间
Taw8
20
 
ns
地址保持时间
Tah8
10
 
ns
/RW,/WR周期
Tcyc8
1000
 
ns
/RW,/WR脉冲宽度
Tcc
200
 
ns
数据建立时间
Tds8
80
 
ns
写数据保持时间
Tdh8
10
 
ns
读存取时间
Tacc8
 
90
ns
读数据保持时间
Tch8
10
60
ns
八、显示数据存储器(DDRAM)与地址的对应关系


        (显示设定为 1/32 DUTY,显示起始行为10th)

九、应用举例
1、   模块接口与8031单片机测架连接表(以OCM12232-1模块为例):
 
模块引脚
符号
8031单片机引脚
3
Vlcd
与GND间接一可调电阻
4
RET
Vcc
5
CS1
TXD
6
CS2
RXD
7
R/W
GND
8
A0
INT1
9~16
D0~D7
P1口
2、简单的测试程序(模拟68MPU接口时序)
;********给主IC发送控制指令子程序**********
S_INS1:SETB    TXD
    CLR     INT1
    MOV     P1,A
    CLR     TXD
    LCALL   DELAY
    RET
;********给主IC发送显示数据子程序**********
S_DAT1:SETB    TXD
    SETB    INT1
    MOV     P1,A
    CLR     TXD
    LCALL   DELAY
    RET
;********给辅IC发送控制指令子程序**********
S_INS2:SETB    RXD
    CLR     INT1
    MOV     P1,A
    CLR     RXD
    LCALL   DELAY
    RET
;********给辅IC发送显示数据子程序**********
S_DAT2:SETB    RXD
    SETB    INT1
    MOV     P1,A
    CLR     RXD
    LCALL   DELAY
    RET
;********显示错位点程序**********
    MOV     R3,     #55H
    MOV     R4,     #0AAH
LDOT:  MOV     R2,#0B8H
LDOT1: MOV     A,R2         ;页地址设置,0页
    LCALL   S_INS1
    LCALL   S_INS2
    MOV     A,#00H              ;列地址设置,0列
    LCALL   S_INS1
    LCALL   S_INS2
    MOV     R1,#1EH         ;发送显示数据 
LDOT2: MOV     A,      R3
    LCALL   S_DAT1
    LCALL   S_DAT2
    MOV     A,      R4
    LCALL   S_DAT1
    LCALL   S_DAT2
    DJNZ    R1,     LDOT2
    MOV     A,      R3
    LCALL   S_DAT1
    LCALL   S_DAT2
    INC     R2
    CJNE    R2,#0BCH,LDOT1
    LCALL   DEALY
    RET
IV align=center>Tds8
80
 
ns
写数据保持时间
Tdh8
10
 
ns
读存取时间
Tacc8
 
90
ns
读数据保持时间
Tch8
10
60
ns
八、显示数据存储器(DDRAM)与地址的对应关系


        (显示设定为 1/32 DUTY,显示起始行为10th)

九、应用举例
1、   模块接口与8031单片机测架连接表(以OCM12232-1模块为例):
 
模块引脚
符号
8031单片机引脚
3
Vlcd
与GND间接一可调电阻
4
RET
Vcc
5
CS1
TXD
6
CS2
RXD
7
R/W
GND
8
A0
INT1
9~16
D0~D7
P1口
2、简单的测试程序(模拟68MPU接口时序)
;********给主IC发送控制指令子程序**********
S_INS1:SETB    TXD
    CLR     INT1
    MOV     P1,A
    CLR     TXD
    LCALL   DELAY
    RET
;********给主IC发送显示数据子程序**********
S_DAT1:SETB    TXD
    SETB    INT1
    MOV     P1,A
    CLR     TXD
    LCALL   DELAY
    RET
;********给辅IC发送控制指令子程序**********
S_INS2:SETB    RXD
    CLR     INT1
    MOV     P1,A
    CLR     RXD
    LCALL   DELAY
    RET
;********给辅IC发送显示数据子程序**********
S_DAT2:SETB    RXD
    SETB    INT1
    MOV     P1,A
    CLR     RXD
    LCALL   DELAY
    RET
;********显示错位点程序**********
    MOV     R3,     #55H
    MOV     R4,     #0AAH
LDOT:  MOV     R2,#0B8H
LDOT1: MOV     A,R2         ;页地址设置,0页
    LCALL   S_INS1
    LCALL   S_INS2
    MOV     A,#00H              ;列地址设置,0列
    LCALL   S_INS1
    LCALL   S_INS2
    MOV     R1,#1EH         ;发送显示数据 
LDOT2: MOV     A,      R3
    LCALL   S_DAT1
    LCALL   S_DAT2
    MOV     A,      R4
    LCALL   S_DAT1
    LCALL   S_DAT2
    DJNZ    R1,     LDOT2
    MOV     A,      R3
    LCALL   S_DAT1
    LCALL   S_DAT2
    INC     R2
    CJNE    R2,#0BCH,LDOT1
    LCALL   DEALY
    RET
[精彩内容还没有完!发表评论/查看评论]
1、 本站不保证以上观点正确,就算是本站原创作品,本站也不保证内容正确。
2、如果您拥有本文版权,并且不想在本站转载,请书面通知本站立即删除并且向您公开道歉! 以上可能是本站收集或者转载的文章,本站可能没有文章中的元件或产品,如果您需要类似的商品请 点这里查看商品列表!
本站协议 | 版权信息 |  关于我们 |  本站地图 |  营业执照 |  发票说明 |  付款方式 |  联系方式
深圳市宝安区西乡五壹电子商行——粤ICP备16073394号-1;地址:深圳西乡河西四坊183号;邮编:518102
E-mail:51dz$163.com($改为@);Tel:(0755)27947428
工作时间:9:30-12:00和13:30-17:30和18:30-20:30,无人接听时可以再打手机13537585389