| 注意:访问本站需要Cookie和JavaScript支持!请设置您的浏览器! • 打开购物车 • 查看留言 • 付款方式 • 联系我们 |
![]() |
| 首页 | 电子入门 | 学单片机 | 免费资源 | 下载中心 | 商品列表 | 象棋在线 | 在线绘图 | 加盟五一 | 加入收藏 | 设为首页 |
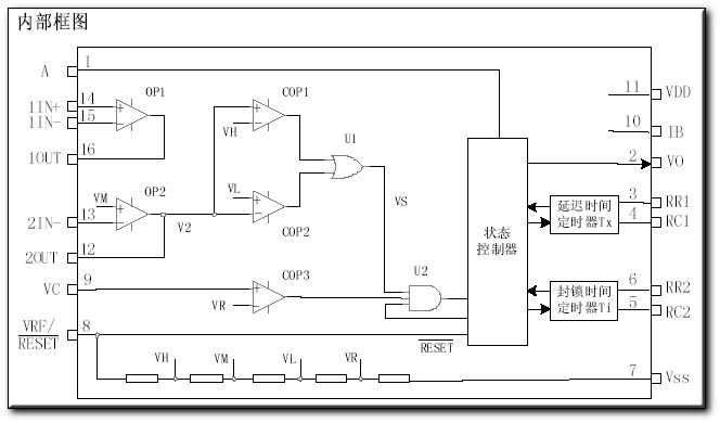
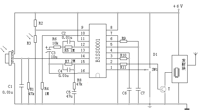
| 选择分类:当前分类——实用电路 相关联或者相类似的文章: CD40XX系列芯片资料 (456) 工商总局宣布消费储值属商业欺诈 将出重拳打击(454) 基于光电技术的脉搏测量方法(453) 你不是要见我吗(453) 51系列单片机输出PWM的两种方法(453) ISD4003系列高保真语音录放IC (453) JAVA教程 Java语言基础知识(452) 还我钱来[转帖](451) 3. 多路开关状态指示(450) 31. 6位数显频率计数器 (450) 月球是外星人制造的?(447) VB6中的任务栏图标编程(445) 详细讲解:晶体三极管(445) 大屏幕数字电子钟套件(444) 只用四个元件的微型无线调频话筒(444) 四位数码管时钟显示的时钟程序(443) 6. 报警产生器(443) 红外热释电处理芯片BISS0001应用资料(441) 第一章 AT89S51单片机实验及实践系统板简介(441) 21. 拉幕式数码显示技术(440) 首页 前页 后页 尾页 本站推荐: | 红外热释电处理芯片BISS0001应用资料
1、 本站不保证以上观点正确,就算是本站原创作品,本站也不保证内容正确。 2、如果您拥有本文版权,并且不想在本站转载,请书面通知本站立即删除并且向您公开道歉! |
|
本站协议 |
版权信息 |
关于我们 |
本站地图 |
营业执照 |
发票说明 |
付款方式 |
联系方式
深圳市宝安区西乡五壹电子商行——粤ICP备16073394号-1;地址:深圳西乡河西四坊183号;邮编:518102 E-mail:51dz$163.com($改为@);Tel:(0755)27947428 工作时间:9:30-12:00和13:30-17:30和18:30-20:30,无人接听时可以再打手机13537585389 |